佳恒微信二維碼
型號
產品名稱
缸徑(mm)
桿徑(mm)
安裝距(mm)
行程(mm)
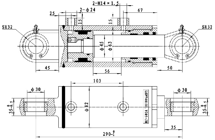
額定壓力(MPa)
額定推力(t)
SG-E40*65JG
鎖緊油缸
40
28
375
65
20
2.5
SG-E40*90JG
鎖鉤油缸
250
90
SG-E63*56JG
抱鉤油缸
63
45
290
56
6.2
SG-E63*460JG
740
460